| STS tension sensor | |||||||||
| Hits:17743 AddTime:2021/9/7 18:32:25 | |||||||||
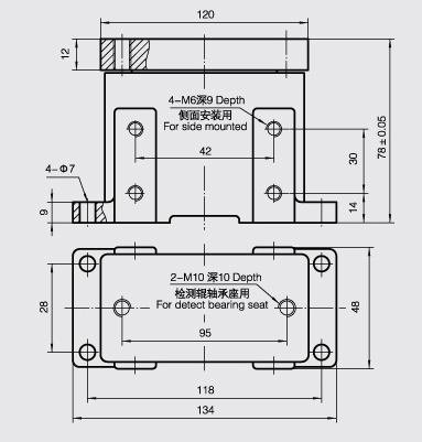
STS, TJL tension sensor is tension into micro displacement and micro a transfer into a micro voltage sensitive components.With small volume, light weight, high sensitivity, fast response, good linearity, etc.Used independently can be used for measuring weight or load, cooperate with SC - 542 - a - 2 h or SC type tension control device, automatic tension control, the printing, packaging, textile, metal, steel and other industries in the process of processing ideal tension testing and control device.
| |||||||||
| 【Refresh】【Favorites】【Print】 【Close】 | |||||||||
| Previous:TJL tension sensor Next:GFQ power amplifier |
- Torque speed sensor
- torque speed sensor
- Magnetic powder clutch
- Magnetic powder brake
- Tension control system
- Deviation control system
- Safety chuck
- Air shaft
- Eddy current brake
- Hysteresis brake
- Hysteresis clutch
- Hysteresis dynamometer
- Eddy current dynamometer
- Electric dynamometer
- Magnetic powder dynamometer
- Hydraulic dynamometer
- Chassis dynamometer
- Drill pipe test bench
- Actuator, worm gear box, test bench
- Engine, axle, gearbox, PTO test bench
- Reducer test bench
- Traction machine test bench
- Motor test bench
- RV, Harmonic and Planetary Test Bench
- Hydraulic pneumatic motor test bench
- Hydraulic wrench test bench
- Testing software
- Slewing bearing test bench
- Acquisition instrument
- New energy vehicle transmission test bench
- Non-standard custom test bench
- High and low temperature test chamber
- coupling
- Industrial chiller
- Torque calibration




